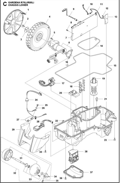
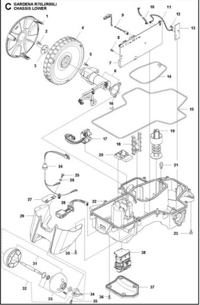
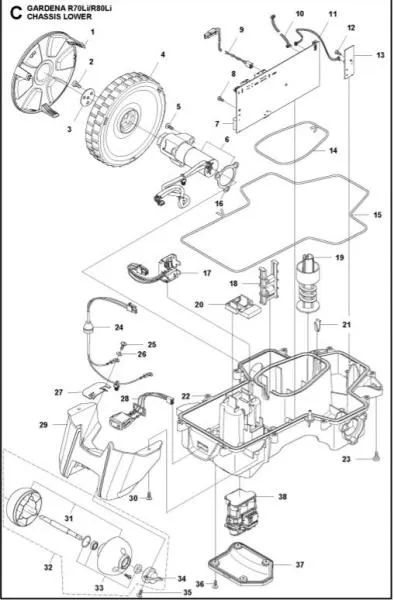
Guide rail, motor bowl G3/P1 (MPN 5745019-01)
Original spare part: guide rail for the motor bowl / cutting-height mechanism (G3/P1). Useful if the cutting unit needs guidance or the height adjustment binds.
- MPN: 5745019-01 (variants: 574501901, 574 50 19-01)
- Fits multiple G3/P1 models (see table)
- GTIN/EAN: 7391883681077
- Low weight (approx. 10 g gross)
Technical
- Part: guide rail, motor bowl
- Generation/Platform: G3 / P1
- Compatible brands: Husqvarna, Gardena, McCulloch, Flymo
Installation
Installs in the cutting motor / motor bowl area. Please verify the part number on your mower.
Notes:
- Match MPN/part number before ordering
- Check model year if your machine was revised
- After installation, ensure the height mechanism moves freely
Compatibility
| Model | Matching part numbers/MPN | Replaces (verified) | Note/Version |
|---|
- Husqvarna Automower® 105 (2016–2023)
- Husqvarna Automower® 305 (2011–2015)
- Husqvarna Automower® 308 (2013–2015)
- Gardena® R38Li/R40Li/R45Li/R50Li (2012–2019)
- Gardena® R70Li/R75Li/R80Li (2013–2018)
- McCulloch Rob R600/800/1000 (2017–2019)
- Flymo 1200R (2013–2018)
| 5745019-01, 574501901, 5745019, 57450190, 57450190X, AM-574501901, AM574501901, 7391883681077, 574 50 19-01 | 5745019, 57450190, 57450190X, AM574501901 | G3 / P1 (Cutting motor / motor bowl) |
Important: The table lists verified model/year ranges. If unsure, compare the type label (model year) and the spare parts list.
• Original Husqvarna MPN 5745019-01 (also 574501901 / 574 50 19-01)
• Guide rail for motor bowl / cutting-height mechanism (G3/P1)
• Compatible with Automower 105/305/308 plus Gardena/McCulloch/Flymo
• GTIN/EAN 7391883681077
• Lightweight part – approx. 10 g gross