Main page
»
spare parts
»
Husqvarna
»
Automower 310
»
Drive & Wheels
»
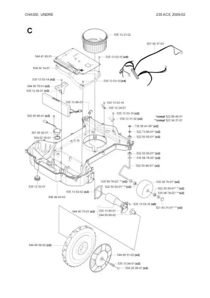
Radlager 6mm für Vorderachse Automower/Gardena – 5225050-01
Radlager 6mm für Vorderachse Automower/Gardena – 5225050-01
NEW
Front wheel bearing 6mm – MPN 5225050-01
Genuine front axle/wheel bearing for 6 mm shafts used in many Husqvarna Automower® and Gardena robot mowers. Helps reduce noise and play at the front wheel.
- Pack content: 1 bearing (2 bearings are needed per wheel)
- Dimensions: 6 x 16 x 5 mm (ID x OD x width)
- Weight: 4 g
- EAN/GTIN: 7391883591635
- MPN: 5225050-01 (522505001)
Specs
- Installation position: front wheel/front axle
- Type: deep groove ball bearing for 6 mm axle
Installation
Remove the wheel, press out the old bearing and install the new one straight and clean.
Check axle and axle bearings as well to avoid follow-up damage.
- Replace bearings in pairs per wheel (2 pcs)
- Verify 6 mm axle diameter before ordering
- Replace if noisy, stiff or exposed to moisture
Compatibility
| Model | Matching part numbers/MPN | Replaces | Note/Version |
|---|---|---|---|
| 5225050-01, 522505001, 5225050 01, 5852142-01, 5852142-02, 5930811-01, 7391883591635, AM-522505001 | 5225050, 52250500, 52250500X, 5852142-01, 5852142-02, 5930811-01 | 6 mm axle; 2 pcs per wheel; some shops require min qty 2 |
Important: compare model, generation/platform and axle diameter before purchase.
• Genuine 6 mm front axle/wheel bearing
• 1 pc – 2 bearings required per wheel
• Size 6 x 16 x 5 mm, weight approx. 4 g
• MPN 5225050-01 / 522505001, EAN 7391883591635